Anvendelse af Acrel Medical IT System på malaysiske hospitaler
Hjem / Projekter / Hospital / Anvendelse af Acrel Medical IT System på malaysiske hospitaler

Anvendelse af Acrel Medical IT System på malaysiske hospitaler

Med den stigende brug af elektronisk medicinsk udstyr på hospitaler udgør risikoen for lækstrøm betydelige trusler mod patientsikkerheden, især i kritiske plejemiljøer. Under kirurgiske indgreb eller anæstesi er patienter direkte forbundet til forskellige elektroder og sensorer. Selv minimale lækstrømme kan forårsage elektrisk stød, når medicinsk udstyr er i direkte kontakt med den menneskelige krop.

Ydermere skal livsnødvendigt udstyr til kritisk syge patienter opretholde uafbrudt drift. Enhver strømafbrydelse kan straks bringe patientens liv i fare. Derfor skal hospitalernes elektriske systemer nøje overholde nationale standarder ved at implementere it-strømforsyningssystemer i udpegede områder.

Dette casestudie demonstrerer anvendelsen af Acrels medicinsk isolerede strømforsyningssystem i Malaysia, med:

Medicinsk IT strømdistribution

Isolationsovervågningsudstyr

Fejlplaceringssystemer

Kontakt os
  • Projektoversigt
  • Projektoversigt
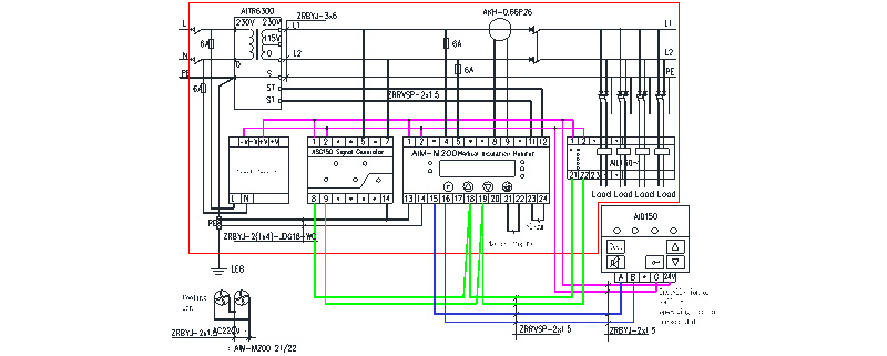
    Malaysia I.E.D er placeret i SELANGOR DARUL EHSAN, projektet bruges hovedsageligt på ø-hospital i Malaysia, produkterne bruges til 12 kredsløbsisoleringsfejlplacering for 3 sæt hospitalsisoleret strømsystem, de relaterede produkter er isolationsmonitorenhed AIM-M200, signaltestgenerator ASG150, centraliseret alarmindikator, AID150ault-indikator AIL150-8, AIL150-4 og lækstrømstransformer AKH-0.66P26.


    Introduktion til medicinsk IT-system
    ACREL medicinsk IT-system isoleringsovervågningsenhed og fejllokaliseringssystem er velegnet til hospitalsoperationsstuer, ICU (CCU) og andre vigtige steder og kan give et sikkert sted for sådanne kontinuerlige, pålidelige strømløsninger.


    Strømforsyningsløsning til medicinske steder
    ICU, CCU afdelings distributionsløsninger (GGF-I8G isoleret elektrisk kabinetsystemdiagram, for eksempel)


    Mulighed I uden fejlplaceringsfunktion


    Mulighed II med fejlfindingsfunktion

    BEMÆRK: I strømfordelingsløsningerne på intensivafdelinger bør AID-seriens centraliserede alarmer og displayanordninger installeres på sygeplejerskestationen, hospitalspersonalet på sygeplejerskestationen overvåger driftsstatus for hvert isoleret strømsystem.


    Operationsrumsdistributionsløsninger (f.eks. GGF-O8G isoleret elskabssystemdiagram)

    Mulighed I uden isolationsfejl lokaliseringsfunktion


    Option II med isolationsfejlplaceringsfunktion

    1. I operationsstuens strømfordelingsløsninger bør AID-serien af eksterne alarm- og displayenheder installeres på intelligenspanelet inde i operationsstuen eller ved siden af intelligenspanelet (vægmonteret installation). Under operationen overvåger det medicinske personale det isolerede strømsystems helbred.

    2. I skemaet med isolationsfejlsplaceringsfunktion, hvis antallet af lokaliserede kanaler er mere end otte, kan der bruges to sæt AIL150 locatorer. Kombinationen kan være AIL150-8 og AIL150-4 (op til 12 kanaler), eller AIL150 -8 og AIL150-8 (op til 16 kanaler).

    3. Typisk ledningsdiagram






    4. Introduktion af 7-Piece Medical IT

    Produktnavn og type Produktbillede Beskrivelse
    AITR serie medicinsk isolationstransformator AITR-seriens isolationstransformator bruges specielt i medicinske it-systemer. Vindingerne er behandlet med dobbelt isolering og har et elektrostatisk afskærmningslag, som reducerer elektromagnetisk interferens mellem viklinger. Temperaturføleren PT100 er installeret i trådposen for at overvåge transformatorens temperatur. Hele kroppen er behandlet med vakuuminvasionsmaling, som øger mekanisk styrke og korrosionsbestandighed. Produktet har god temperaturstigningsydelse og meget lav støj.
    AIM-M200 medicinsk intelligent isolationsovervågningsinstrument AIM-M200 medicinsk itelligent isoleringsovervågningsinstrument anvender avanceret mikrocontrollerteknologi, som har høj integration, kompakt størrelse, bekvem installation og integrerer itelligence, digitalisering og netværk i én. Det er det ideelle valg til isolationsovervågning af isolerede strømsystemer i klasse 2 medicinske steder, såsom operationsstuer og intensivafdelinger.
    AKH-0.66P26 strømtransformer Strømtransformatoren AKH-O 66P26 er den beskyttende strømtransformator, der understøtter AIM-M200 isolationsmonitoren, hvoraf den maksimale målbare strøm er 60A og transformationsforholdet er 2000:1. Strømtransformatoren er direkte fastgjort inde i skabet ved at skrue, og den sekundære side ledes ud af terminalen, som er praktisk at installere og bruge.
    AIL150-4/AIL150-8 isolationsfejlfinder AIL150-4/AIL150-8 isolationsfejlfinder adopts high sensitivity transformer combined with a high precision signal detecting circuit, which detects the signal imported into the system from the ASG150 test signal generator and accurately locates the circuits which have insulation faults. AIL150-4 insulation fault locator can locate the insulation faults of 4 circuits, and the AIL150-8 insulation fault locator can locate the insulation faults of 8 circuits.
    ASG150 testsignalgenerator ASG150-testsignalgeneratoren anvender en 32-bit mikroprocessorchip og højpræcisionssignalgenereringskredsløb for at realisere genereringen af det specifikke testsignal. Når det overvågede IT-system har isolationsfejl, kan det starte op og producere et testsignal i tide og arbejde med isolationsfejlslokaliseringen for at realisere isolationsfejlsplacering.
    HDR-60-24 strømmodul HDR-60-24 jævnstrøms strømforsyning kan levere 24V DC strømforsyning samtidigt til AIM-M200
    medicinsk intelligent isolationsovervågningsinstrument, ASG150 testsignalgenerator, AIL150-seriens isolationsfejlfinder og AID150 centraliseret alarm- og displayinstrument Strømforsyningen har høj kapacitet, stabil spændingsudgang og bekvem installation, som kan opfylde strømforsyningskravene for de ovennævnte målere og er det anbefalede strømforsyningsprodukt.
    AID1 50 centraliseret alarm og display instrument AID150 centraliseret alarm- og displayinstrument anvender LCD flydende krystaldisplayet og opnår dataudveksling med AIM-M200 medicinsk intelligent isolationsovervågningsinstrument gennem RS485-kommunikationsgrænsefladen, som i realtid kan overvåge multikanaldata fra AIM-M200 medicinsk intelligent isolationsovervågningsinstrument.

    Billeder på stedet



Acrel Co., Ltd.