Nominel strøm 80A direkte
MID-certificeret
Høj nøjagtighed klasse C
35 mm DIN-skinne monteret
Pulsudgang
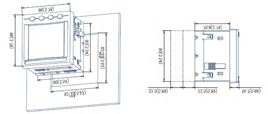
4 moduler 72mm Bredde
Til IoT Energy Management, Factory, School
Ægte RMS-målinger
THD med 63. harmoniske
K-Factor og Crest Factor
Ubalance og fasevinkler
Krav og Multi-Tarif energi
Maks/min log med tidsstempel
+86-18702106858 / +86-21-69156352
APM810 er en 0.2S-klasse trefaset AC multifunktionspanelmåler udviklet til præcis energiovervågning, strømkvalitetsdiagnostik og lejerunderfakturering i industrielle, kommercielle og datacentre omstillingstavler. Det kompakte 96×96 mm DIN-kabinet er vært for en farve-TFT-touchskærm, der viser ægte RMS-spænding til 690 V, strøm, frekvens, aktiv/reaktiv/tilsyneladende effekt, PF, efterspørgsel, harmoniske til 63., THD og fire-kvadrant kWh/kvarh. Dual RS485 Modbus-RTU, Ethernet TCP/IP, BACnet/IP, SNMP og valgfri Wi-Fi/LoRa leverer problemfri BMS/EMS-integration, mens 4 MB indbygget hukommelse logger 12-måneders belastningsprofiler til energisyn. Konfigurerbare over-/underspændings-, strøm-, PF- og harmoniske alarmer driver relæudgange eller digitale indgange til smart afbryderstyring; puls-, SOE- og tarif-TOU-registre understøtter AMI, solenergi-netmåling og EV-opladning. Bred 3×57,7–690 V, 0,001–10 A direkte eller CT/VT-forbindelse plus manipulationssikker forsegling passer til enhver smart-grid- eller mikro-grid-installation.
| Tekniske parametre | Værdi | |||
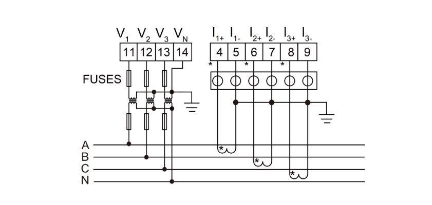
| Input | Forbindelse | Enkeltfaset-2-leder, 3-faset-3-leder, 3-faset-4-leder | ||
| Frekvens | 45-65 Hz | |||
| Spænding | Bedømmelse: | |||
| enkeltfaset: AC 100V, 400V | ||||
| Trefaset: AC 3×57,7V/100V(100V),3×220V/380V(400V),3×380V/660V(660V)(kun 96 størrelse) | ||||
| Overbelastning: 1,2 fold rating {kontinuerlig): 2 fold rating i 1 sekund | ||||
| Strømforbrug:< 0,5VA | ||||
| Nuværende | Bedømmelse: AC IA、5A | |||
| Overbelastning: 1,2 gange rating (kontinuerlig); 10 gange rating i 1 sekund | ||||
| Strømforbrug:< 0,5VA | ||||
| Output | Elektrisk energi | Udgangstilstand: åben-kollektor fotokobler puls | ||
| Pulskonstant: 10000imp/kWh (kan indstilles),se ledningsdiagram for detaljer; | ||||
| Kommunikation | RS485-port, Modbus -RTU-protokol, DLT645-protokol (version 07 og 97), | |||
| Baudrate 1200 ~ 38400 | ||||
| Funktion | Skiftende input | Tør kontaktindgang, indbygget strømforsyning; hvis modellen er KA, er den AC 220V aktiv. | ||
| Skiftende udgang | Udgangstilstand: Relæet er normalt åbent kontaktudgang | |||
| Kontaktkapacitet: AC 250V/3A, DC 30V/3A | ||||
| Analog udgang | 4 - 20mA | |||
| Nøjagtighedsklasse | Frekvens:0.05Hz,Current、Voltage:0.2 class,Reactive power:l .0class,Reactive Electric energy:l .0class, active power:0.5class,active electric energy: 0.5class,2-31th harmonic measurement:±1% | |||
| Strømforsyning | AC/DC 85-265V eller DC24V(±20%)eller DC48V(±20%) | |||
| strømforbrug ≤10VA | ||||
| Sikkerhed | Strømfrekvens modstår spænding | Mellem Strømforsyning//Switching Output// Current Input//spændingsindgang og transmission// Kommunikation //Pulse Output//Switching input AC 2 kV 1min; | ||
| Mellem strømforsyning、skiftende udgang、Strømindgang、spændingsindgang AC 2 kV 1min; | ||||
| Mellem transmission、Kommunikation、Pulsudgang、switching input AC 1kV 1 min; | ||||
| Isolationsmodstand | Input、Output ende til maskinkabinet >100MΩ | |||
| Miljø | Temperatur | arbejde: -25°C~ 65°C opbevaring: -40°C ~ 80°C | ||
| Fugtighed | ≤93%RH Ikke-kondenserende | |||
| Højde | ≤2500m | |||
Strømovervågningsløsning
Grundlagt i 2003, Acrel Co., Ltd.【Lager-Kode: 300286.SZ】 er en high-tech virksomhed med speciale i energi management-løsninger og elektrisk sikkerhed. Med hovedsæde i Shanghai, Acrel tilbyder innovative og bæredygtige løsninger for microgrid energieffektivitet og elektrisk sikkerhed. Med over 600 patenter og software rettigheder til ophavsret, Acrel har indsat mere end 28.000 system løsninger på globalt plan, der danner en samlet "cloud-kant-end" energi internet arkitektur.
Acrel Co., Ltd. er Kina Engros AC trefaset programmerbar panelmonteret energimåler Producenter og AC trefaset programmerbar panelmonteret energimåler Fabrikken. Acrel er integreret produkt-økosystem, der spænder fra cloud-platform software til slutbrugeren komponenter, der dækker områder som el, vedvarende energi, datacentre, intelligente bygninger, transport, og intelligente byer. Disse løsninger gør det muligt intelligent, real-time energy management, forbedring af sikkerhed og nedbringe driftsomkostningerne. Vi tilbyder AC trefaset programmerbar panelmonteret energimåler til salg.
Virksomhedens produktionsanlæg, Jiangsu Acrel Elektriske Manufacturing Co., Ltd., overholder strenge kvalitetsstandarder og miljømæssige retningslinjer, med avancerede testcentre og en forpligtelse til at føre-gratis produktionsprocesser. Acrel ' s team af mere end 500 ingeniører leverer banebrydende energi-effektivitet-systemer og intelligente energiløsninger.
Med en stærk national tilstedeværelse, Acrel er aktivt at udvide internationalt, understøttes af et globalt netværk af salgs-og tekniske teams og en e-commerce platform, der sikrer problemfri service oplevelser i hele verden. Acrel er stolte af at hjælpe virksomheder med at forbedre effektiviteten, reducere forbruget, og nå målene for bæredygtighed.
Sammen, vi er ved at opbygge en smartere, grønnere fremtid.
Autoriseret Patenter
0+Antallet af betjente Kunder
0+Samlet Antal Ansatte
0+Fremstilling Base
0m²Velkommen til at forbinde I sammenhæng med den hurtige udvikling af den nye energiindustri, scenarier som f.eks kommerciel og industriel energilagring , batteribyttestationer , og husholdnings solcelleopbevaringssystemer har stillet højere krav til nøjagtighed, ko...
Læs MereBranchebaggrund og applikations betydning Samleskinner tjener som rygraden i elektriske distributionssystemer i industrier lige fra koblingsudstyr, industrielle drev, invertere til vedvarende energi, batterienergilagringssystemer (BESS) og el-køretøjskraftelektronik. Med væksten af systemer ...
Læs MereBranchebaggrund og applikations betydning Den hurtige indførelse af elektriske køretøjer (EV'er) driver nye infrastrukturkrav i beboelsesmiljøer med flere lejere, såsom lejlighedskomplekser, bygninger til blandet brug og flerfamiliehuse. I modsætning til enfamiliehuse deler lejligheder ty...
Læs Mere