Velkommen til at forbinde
I sammenhæng med den hurtige udvikling af den nye energiindustri, scenarier som f.eks kommerciel og industriel energilagring , batteribyttestationer , og husholdnings solcelleopbevaringssystemer har stillet højere krav til nøjagtighed, kompatibilitet og intelligens af elmåling . Acrel Electric har udviklet et komplet udvalg af nye energistøttende instrumenteringsløsninger. Disse løsninger er specialdesignede til kernekravene i forskellige applikationsscenarier, og dækker målingsbehov fra husholdningsapplikationer med lav effekt til store industrielle og kommercielle energilagringssystemer. Løsningerne giver pålidelig støtte til stabil drift og præcis måling af nye energisystemer.
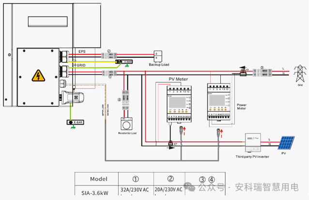
Fotovoltaik til beboelse og energilagring repræsenterer et vigtigt anvendelsesscenario for popularisering af ny energi. Acrel har udviklet meget kompatible instrumentprodukter rettet mod forskellige underscenarier, herunder energilagringsinvertertilpasning, hybrid inverterintegration, balkon fotovoltaiske lagringssystemer og mikroenergilagring punkt-til-punkt transparente transmissionssystemer . Disse produkter balancerer integration, målehastighed og kommunikationsfleksibilitet.
Som svar på markedskarakteristikaene for multibrand-kompatibilitet i solcelle- og energilagringssystemer, er RS485 CT-konfigurationen vedtaget for at imødekomme usikre installationsforhold for professionelle agenter. Instrumenterne er certificeret med internationale CE-MID-, UL- og RCM-certificeringer. Med en 50ms højhastighedsdataopdateringshastighed understøtter enhederne også fasesekvensjustering, hvilket sikrer nøjagtig måling og stærk kompatibilitet.
Til høje integrationskrav til alt-i-en energilagringsinverterdesign og dobbeltkanalmålekrav i eftermonteringsscenarier er instrumenterne udstyret med spændings- og strømstikterminaler og RJ45-kommunikationsporte. De understøtter også 50ms dataopdateringshastigheder og fasesekvensjustering sammen med et omfattende certificeringssystem, hvilket gør dem velegnede til både eftermontering og nye installationsscenarier.
Denne løsning, der er designet specifikt til distribuerede solcelle- og energilagringssystemer med lav effekt på altaner, balancerer høj integration med bekvem installation og idriftsættelse. Ud over to-kanals måling og hurtig-stik terminaler , understøtter den også WiFi, WiFi HaLow og Bluetooth debugging funktioner . Det trådløse design forenkler installationen betydeligt i små scenarier, og produktet har CE-RED certificering.
For at adressere dårlig penetration og ustabil netværksydelse af traditional WiFi in micro-energy storage scenarios, WiFi HaLow (Sub-1GHz) kommunikationsteknologi er vedtaget. Sammenlignet med traditionel WiFi giver den stærkere penetrationsevne og længere transmissionsafstand. Sammenlignet med LoRa-kommunikation giver den højere transmissionshastighed og bedre stabilitet. Instrumentet understøtter naturligt denne teknologi og kræver kun et ekstra AP på invertersiden for at muliggøre trådløs kommunikation. Den understøtter også en-til-en og en-til-mange hurtig netværkskonfiguration, hvilket gør den velegnet til husholdnings multi-inverter og balkon mikro-lagringssystemer.
Industriel og kommerciel energilagring, energilagring i stor skala og batteribyttestationer kræver strenge standarder for målenøjagtighed, opdateringshastighed, installationsfleksibilitet og overholdelse af lovgivning. Acrel leverer indlejrede og DIN-skinnemonterede instrumentprodukter baseret på nøglekrav som f.eks multi-takst fakturering, behovsmåling, anti-omvendt strømstrømsbeskyttelse og trådløs kommunikation , der understøtter både nye installationer og eftermonteringsapplikationer.
APM521 har opnået oversøisk CSA (UL) certificering og giver aktiv energimålingsnøjagtighed op til 0,2s klasse (klasse D). Den er udstyret med SD-kortlagring til elektriske parametre i realtid. Det modulære hovedenhedsudvidelsesmoduldesign understøtter både indlejret og DIN-skinnemontering og opfylder forskellige installationskrav i nye projekter.
Dette er en 0,5S klassemåler med ekstern CT, der er meget brugt i store kundeapplikationer. Den understøtter sekundære CT-eftermonteringsledninger og kan direkte klemme den sekundære sidestrøm af eksisterende strømtransformatorer, hvilket gør den særdeles velegnet til eftermonteringsprojekter. Produktet har CPA-, CE- og UL-certificeringer og kan også tilpasses til en højhastighedsopdateringsversion for at opfylde kravene til højtydende applikationer.
Derudover integrerer de industrielle og kommercielle løsninger også overbelastningsbeskyttelsesfunktioner. Systemet kan forbindes til høj- og lavspændingssideenergilagringsscenarier og kan arbejde med multi-tarif elmålere for at opnå nøjagtig elmåling under forskellige tarifstrukturer, hvilket giver omfattende sikkerheds- og energistyringsstøtte til industrielle og kommercielle energilagringssystemer og batteribyttestationer.
I forbindelse med løbende opgraderinger i den nye energiindustri vil Acrel fortsat fokusere på innovation og yderligere forbedre sin nye energistøttende instrumenteringsteknologi og produktsystem. Virksomheden sigter mod at levere mere effektiv, intelligent og pålidelig elmåling solutions til kommerciel og industriel energilagring, batteriudskiftningsstationer og husholdningsfotovoltaiske lagringsapplikationer, der hjælper med at fremme højkvalitetsudvikling af den nye energiindustri.
